Tutti gli orari sono UTC + 2 ore




Apri un nuovo argomento Rispondi all’argomento  [ 5 messaggi ] 
 

Rilevare le dimensioni di un asse
Autore Messaggio
MessaggioInviato: mercoledì 26 settembre 2012, 0:05 
Non connesso
Forumista
Forumista

Iscritto il: domenica 24 gennaio 2010, 15:17
Messaggi: 147
Località: Savona
Provincia: Savona
In uno dei miei precedenti interventi (peraltro rari..) ho accennato alla mia intenzione di cimentarmi con la ricostruzione di un asse di un tasca Americano che ho da tempo acquistato su Ebay.
Ora, rimosso quello col perno rotto, mi si presenta il problema della corretta rilevazione delle sue dimensioni.
Consultando vari post ho compreso che necessiterebbe un micrometro da banco che io ovviamente non possiedo.
Vi chiedo allora se con i mezzi a mia disposizione (calibro centesimale e micrometro tradizionale) si possa raggiungere comunque un risultato idoneo.
Nel mio caso le difficoltà insorgono al solo approccio inquanto non trovo un posizionamento "furbo" per l'asse che consenta un'agevole rilevazione delle quote.
Grazie in anticipo per i suggerimenti.

Lebois

P.S per gli amministratori, piena libertà di spostare il messaggio nella sezione ritenuta più idonea

_________________
Lebois


Top
 Profilo  
 

MessaggioInviato: mercoledì 26 settembre 2012, 0:27 
Non connesso
Senator
Senator

Iscritto il: lunedì 29 novembre 2010, 16:40
Messaggi: 3250
Provincia: XX
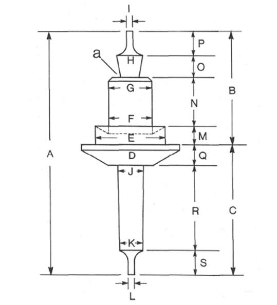
Se intendi rifare l'Asse al tornio, le quote principali le puoi rilevare tutte con un semplice calibro.

Di seguito un disegno quotato

Immagine

le quote principali sono:

D, E, F-G, J-K, L, I, A

con queste quote e con l'asse originale puoi già replicarlo...

Ciao


Top
 Profilo  
 

MessaggioInviato: mercoledì 26 settembre 2012, 10:39 
Non connesso
Advanced User
Advanced User

Iscritto il: lunedì 27 aprile 2009, 12:31
Messaggi: 1303
Località: Roma
Il problema si complica quando occorre rilevare le misure dell'asse durante la sua costruzione, quando è montato nelle pinze del tornio. Le misure più difficili da rilevare sono quelle di lunghezza parziale (P, O, N, M ecc da disegno precedente). Sto cercando di modificare i tastatori di un micrometro per rendere quest’operazione più semplice. Appena avrò raggiunto qualche risultato positivo ve lo comunicherò. Per ora, da una vecchia limetta ad ago piatta, ho ricavato un cuneo graduato e per comparazione risalgo a delle misure approssimative. Se qualcuno di voi ha risolto questo problema sarei felice di conoscere quale soluzione economica ha trovato. Ciao Astorre

_________________
Astorre


Top
 Profilo  
 

MessaggioInviato: mercoledì 26 settembre 2012, 11:31 
Non connesso
Senator
Senator

Iscritto il: lunedì 29 novembre 2010, 16:40
Messaggi: 3250
Provincia: XX
Ciao Astorre,
le misure di cui parli si rilevano per comparazione, l'hai visto il mio MP?

Ciao


Top
 Profilo  
 

MessaggioInviato: mercoledì 26 settembre 2012, 11:51 
Non connesso
Advanced User
Advanced User

Iscritto il: lunedì 27 aprile 2009, 12:31
Messaggi: 1303
Località: Roma
Ciao Nemantos, mi dovresti dare un aiutino, non riesco a trovare il tuo MP sull'argomento in questione. Ciao Astorre

_________________
Astorre


Top
 Profilo  
 

Visualizza ultimi messaggi:  Ordina per  
Apri un nuovo argomento Rispondi all’argomento  [ 5 messaggi ] 

Tutti gli orari sono UTC + 2 ore


Chi c’è in linea

Visitano il forum: Nessuno e 29 ospiti


Non puoi aprire nuovi argomenti
Non puoi rispondere negli argomenti
Non puoi modificare i tuoi messaggi
Non puoi cancellare i tuoi messaggi
Non puoi inviare allegati

Vai a: