Un breve update per riferire che l'orologio funziona divinamente!
Ma c'è ancora molto da fare…
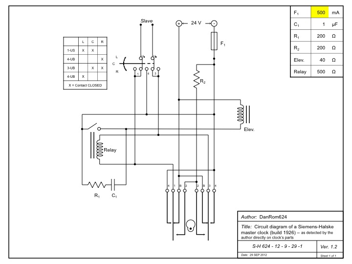
Dopo aver battuto il circuito la settimana scorsa, ne è scaturito il seguente schema:
Battere il circuito mi ha chiarito la disposizione dei componenti (assai diversa che sul HU10/24 del collega JCH), il flusso del segnale, ma non mi ha svelato la funzione della resistenza R2 .
La vera sorpresa è stato il constatare che il relais principale (quello comandato dalla camma) non è il meccanismo che comanda la ricarica, bensì quello che comanda l'impulso ai ripetitori (slave).
La ricarica è comandata dal secondo relais (quello tipicamente telefonico) che si trova in alto a sinistra, avvitato al pannello posteriore della cassa, indicato come "Relay" nel disegno.
A pensarci bene la cosa ha un senso…
Dopo tutto la funzione principale dell'orologio è quella di MASTER.
Il fatto che l'orologio si ricarichi autonomamente è un "di più".
Ergo: il relais principale comanda gli slave, mentre un relais secondario comanda l'elevatore di ricarica.
Nonostante questa scoperta, la battitura dei circuiti non è stata - a dire il vero - determinante per il prosieguo dei lavori.
In compenso mi ha dato molta fiducia a continuare: dopo tutto il circuito si è rivelato essere molto semplice, e mettere le mani su una cosa di cui si capisce la funzione è ben diverso che mettere le mani su una "cosa misteriosa".
Così ho comprato un resistore da 200 ohm (7 W) ed un condensatore in poliestere da 1 uF, e sabato li ho inseriti al posto dei componenti danneggiati (C1 e R2 nel diagramma). (NOTA: avrei potuto farlo comunque, anche prima di battere il circuito, ma con quale coraggio?)
Quindi ho pulito bene bene i contatti dei relais con una tecnica consigliata da molti su Internet (poi dirò),
ho oliato le pulegge del peso, ho rimesso in moto, ho alimentato (dopo aver fatto un po' di controlli) e…
… MERAVIGLIA !
L'orologio ha riacquistato il suo suono di sempre!
Non perde un colpo, non fa una scintilla e da tre giorni va che è una delizia!!!
Anche il meccanismo di ricarica funziona a dovere.
Tuttavia ci sono ancora molti lavori da fare.
Principalmente di tipo estetico e di restauro per riportare il "mostro" al suo aspetto originale.
Oggi mi sono dedicato a riprendere tutte le sfilacciature dei terminali dei cavi elettrici. Quando avrò tempo posterò le foto.
Ma devo ancora:
- trovare un modo per nascondere il nuovo (orribile!) condensatore, color arancione evidenziatore;
- collegare la R2 in modo permanente;
- capire l'amperaggio adatto del fusibile e metterne uno idoneo (per il momento in ampolla, poi si vedrà);
- registrare il relais secondario ("Relay" nel disegno), perché talvolta al ripristino dell'alimentazione non si eccita se non dopo un colpetto a mano;
- sistemare in modo esteticamente accettabile il cablaggio che porta al citato relais;
- eliminare il microswitch di fine corsa (messo da mio padre negli a anni 80), ripristinando il sistema originale (a me ancora incognito);
- ripristinare le viti originali che fissano il relais secondario al pannello posteriore della cassa (Babbo le ha conservate!!!);
- se del caso - ma solo se vi sarò realmente costretto - intervenire sul movimento per pulirlo a dovere.
Per ora è tutto.
Per adesso priorità UNO è nascondere bene il condensatore.
Credo che farò un post ad hoc.
A presto
- Daniele -
PS: è chiaro lo schema relativo al pulsante a tre posizioni (in alto a sinistra sia nell'orologio sia nel disegno)? Essendo un componente ormai fuori standard, non ho trovato alcuno standard idoneo per rappresentarlo

quindi me lo sono inventato derivandolo dagli standard per i pulsanti a più posizioni di oggi. Ah, se avessi lo schema originale...